Где вы?
Россия
Центральный округ
Южный округ
Северо-Западный округ
Дальневосточный округ
Сибирский округ
Уральский округ
Приволжский округ
Северо-Кавказский округ
Страны ближнего зарубежья
Азербайджан
Армения
Беларусь
Грузия
Казахстан
Молдова
Монголия
Таджикистан
Узбекистан
Кто вы?
Специализация компании
Проектная компания
Монтажная компания
Обслуживающая компания
Торговая компания
Пультовая охрана
Пользователь
Конечный потребитель
Я хочу...
Выберите
Скачать прайс-лист
Скачать ПО, схемы, сертификаты...
Сдать изделия в ремонт
Обратиться в техподдержку
Обсудить на форуме
Пройти обучение
Подписаться на новости
Найти подрядчика
Поработать
Устроиться к вам на работу
Отзывы
Поблагодарить
Пожаловаться
Предложить идею!
+7 (495) 775-71-55
партнерский раздел
основной сайт
О компании
О компании
Контакты
Новости
Календарь событий
Карьера, вакансии
Награды
История и факты
Производство
Товарные знаки
Продукция
Алфавитный указатель
Пожарная сигнализация (СПС)
Оповещение о пожаре (СОУЭ)
Установки пожаротушения (АУП)
Противодымная вентиляция (СПДВ)
СПА для взрывоопасных зон
Охранная сигнализация (СОС)
Оповещение при УСТА
Контроль и управление доступом (СКУД)
СКУД и УРВ для 1С:Предприятие 8
Видеонаблюдение
Средства централизованной охраны
Беспроводная сигнализация Антарес
Технологическая сигнализация (ТС)
Каналообразующее оборудование
Контроль и учёт энергоресурсов (АСКУЭ)
Средства автоматизации и диспетчеризации
Резервированные источники питания (РИП)
Снято с производства
Проекты и решения
ИСО Орион
Системы пожарной автоматики
Системы охраны и безопасности
Автоматизация и диспетчеризация
Диспетчеризации на базе "М3000-Т Инсат"
Вытяжные установки и вентиляторы
Дренажно-канализационная система
Водоподготовка и водоочистка
Отопление и горячее водоснабжение
Вентиляция и центральное кондиционирование
Управление освещением
Все разделы
Централизованная пультовая охрана
АСКУЭ Ресурс
Проектно-монтажные организации
Внедренные проекты
Объекты на карте
Автоматизация проектирования BolidCAD
Поддержка
Обратиться в техподдержку
Часто задаваемые вопросы (FAQ)
Форум
Обучение
Семинары Болид
Онлайн-практикумы Болид
Семинары и курсы авторизованных учебных центров
Видеоматериалы и записи вебинаров
Информация по ремонту изделий
Мобильный каталог продукции
Скачать
Сертификаты
Дистрибутивы
Прошивки
Документация
Схемы и настройки
BIM-модели
English versions
Каталоги и буклеты
Статьи и презентации
Типовые проекты
Нормативная документация
Для противопожарных систем
Для охранных систем
Для информационных и инженерных систем
Общая документация
Для взрывозащищенных систем
Где купить
Дилеры и представители
Интернет-магазин
Контакты
О компании
Новости
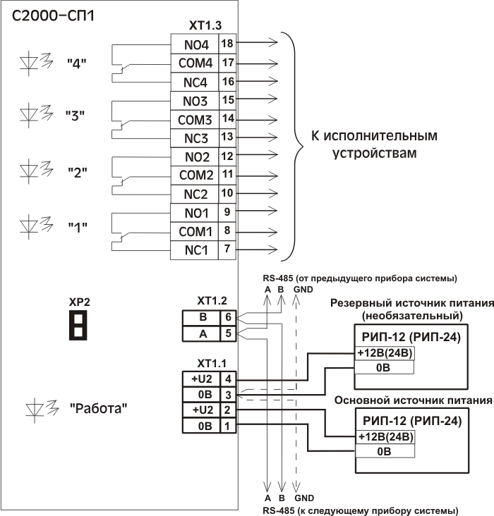
Новые функции блока С2000-СП1 исп.01
О компании
Контакты
Новости
Календарь событий
Карьера, вакансии
Награды
История и факты
Производство
Товарные знаки
Новые функции блока С2000-СП1 исп.01
29 ноября 2011
Выпущена новая версия 1.55 блока
С2000-СП1 исп.01
, которая в отличие от предыдущей версии 1.30 имеет новые дополнительные функции.
Версия 1.55 включает:
второй ввод питания устройства
функцию измерения напряжения питания блока
поддержана выдача сообщений: "Включение/выключение реле", "Ручной тест"
увеличено количество хранимых в энергонезависимой памяти событий
функцию обновления версий программного обеспечения устройства по интерфейсу RS-485.
Технические характеристики:
Количество выходов - 4 релейных выхода с переключаемыми контактами
Напряжение питания - 10 В ... 28 В
Потребляемый ток прибором, не более
"С2000-СП1" - 140 мА
"С2000-СП1" исп.01 - 300 мА
Максимальная коммутируемая мощность каждого реле
"С2000-СП1" - 30 ВА
"С2000-СП1" исп.01 - 2500 ВА
Максимальное коммутируемое напряжение
"С2000-СП1" - 100 В
"С2000-СП1" исп.01 - ~280 В, =125 В
Максимальный коммутируемый ток одного канала
"С2000-СП1" - 2 А
"С2000-СП1" исп.01 - 10 А
Рабочий диапазон температур - от минус 30 до +55 °С
Габаритные размеры - 150 х 103 х 35 мм
Схема электрическая подключения релейного блока при эксплуатации