| НАИМЕНОВАНИЕ ПАРАМЕТРА | ЗНАЧЕНИЕ ПАРАМЕТРА | ||
|---|---|---|---|
| Разрешение объектива | 12 Мп | ||
| Совместимый размер матрицы | Не более 1/1.7" | ||
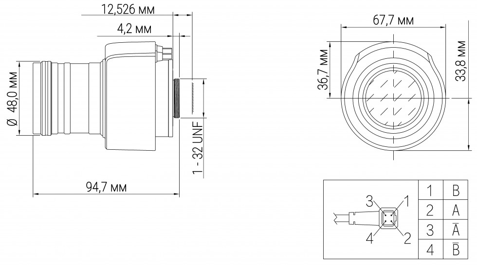
| Тип объектива | 10,5 – 42 мм, варифокальный моторизованный | ||
| Регулировка фокуса | Моторизованный | ||
| Угол обзора | При 1/1.7" | При 10,5 мм | Гор: 36,7°Верт.: 27,3° |
| При 42 мм | Гор: 10,2°Верт.: 8,5° | ||
| При 1/1.8" | При 10,5 мм | Гор: 35,3°Верт.: 26,3° | |
| При 42 мм | Гор: 10,9°Верт.: 8,1° | ||
| При 1/2" | При 10,5 мм | Гор: 31,3°Верт.: 23,3° | |
| При 42 мм | Гор: 9,7°Верт.: 7,2° | ||
| Светосила | F1,5 (при 10,5 мм) – F1,8 (при 42 мм) | ||
| Тип крепления | CS | ||
| Диапазон рабочих температур | От -30 ºC до +70 ºC | ||
| Относительная влажность воздуха | От 0 % до 90 % | ||
| Габаритные размеры | 70,6×67,7×94,7 мм | ||
| Масса | 0,35 кг | ||
Сертификат транспортной безопасности на систему видеонаблюдения (17 Mб) 
Сводный список сертификатов продукции (1 Mб) 
| Наименование | Цена (руб.) | |
|---|---|---|
| Объектив BOLID LV-04, шт. | 41 688 | купить |