Проекты и решенияВнедренные проектыЧастная школа
Рекомендации по построению систем пожарной автоматики в соответствии с СП 484.1311500.2020 изм.1
Автоматизация проектирования BolidCAD
Оборудование Болид в Едином реестре российской радиоэлектронной продукции
Приглашаем принять участие в опросе

Частная школа

Частная школа

Исполнитель:
ООО "ЭкспертСтройИнжиниринг"

Выполненные работы по проекту:
  • разработка проекта
Частная школа — негосударственное учебное заведение начального или среднего образования (школа), средства на содержание которого окупаются полностью или частично за счёт платы, взимаемой с учащихся
Адрес объекта: Россия, Омская обл, ул.Ватутина, 11

Тип объекта: Образовательное учреждение (Школы, детские сады, институты, университеты.)

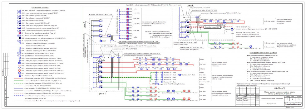
Выполнен проект автоматической пожарной сигнализации на основе адресно-аналоговой подсистеме "С2000-КДЛ", а так же система оповещения и управления эвакуацией людей при пожаре 4-го типа на основе "Рупор-Диспетчер".
Сигнал "Пожар" и "Неисправность" предаётся на пульт пожарной охраны комплексом СПИ "Стрелец-мониторинг".
Система пожарная сигнализация формирует управляющие в систему вентиляции.
Контроль состояния и управление системой производится с центрального поста охраны.

Для реализации проекта была использована следующая продукция

Пожарная сигнализация
АРМ
шт.
Сетевой контроллер
шт.
Прибор
шт.
Извещатель
шт.
Повторитель, преобразователь интерфейса
шт.
Прочее
шт.
1
1
2
1
1
4
1
1
1
10
200
1
20
32
Итого:
1
12
263

Оповещение о пожаре
АРМ
шт.
Сетевой контроллер
шт.
Прибор
шт.
Извещатель
шт.
Повторитель, преобразователь интерфейса
шт.
Прочее
шт.
1
1
1
1
12
1
Итого:
1
16

Охранная сигнализация
АРМ
шт.
Сетевой контроллер
шт.
Прибор
шт.
Извещатель
шт.
Повторитель, преобразователь интерфейса
шт.
Прочее
шт.
1
1
1
Итого:
1
1
1