Проекты и решенияВнедренные проектыЗдание центра культуры и досуга Лукьяновского казачьего сельского поселения
Рекомендации по построению систем пожарной автоматики в соответствии с СП 484.1311500.2020 изм.1
Автоматизация проектирования BolidCAD
Оборудование Болид в Едином реестре российской радиоэлектронной продукции
Приглашаем принять участие в опросе

Здание центра культуры и досуга Лукьяновского казачьего сельского поселения

Здание центра культуры и досуга Лукьяновского казачьего сельского поселения

Исполнитель:
ООО "ЭкспертСтройИнжиниринг"

Выполненные работы по проекту:
  • разработка проекта
  • монтаж, пусконаладка
  • эксплуатация, обслуживание
Здание центра культуры и досуга - клубное учреждение, центр культурно-массовой и просветительской работы
Адрес объекта: Россия, Омская обл, с Лукьяновка, пер.Центральный, д.3

Тип объекта: Учреждение культуры, отдыха и спорта (Стадионы, музеи, галереи, театры, ДК)

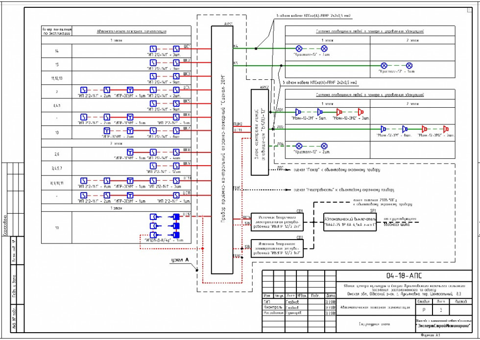
Система автоматической пожарной сигнализации в здании центра культуры и досуга Лукьяновского казачьего сельского поселения смонтирована по проекту "04-18-АПС" на основе приборе приёмно-контрольный охранно-пожарный "Сигнал-20М". Система автоматической пожарной сигнализации осуществляет передачу сигнала "Пожар" и "Неисправность" на пульт ПЦН.

Для реализации проекта была использована следующая продукция

Пожарная сигнализация
АРМ
шт.
Сетевой контроллер
шт.
Прибор
шт.
Извещатель
шт.
Повторитель, преобразователь интерфейса
шт.
Прочее
шт.
1
Итого:
1

Оповещение о пожаре
АРМ
шт.
Сетевой контроллер
шт.
Прибор
шт.
Извещатель
шт.
Повторитель, преобразователь интерфейса
шт.
Прочее
шт.
1
Итого:
1