ПоддержкаЧасто задаваемые вопросы (FAQ)
Рекомендации по построению систем пожарной автоматики в соответствии с СП 484.1311500.2020 изм.1
Автоматизация проектирования BolidCAD
Оборудование Болид в Едином реестре российской радиоэлектронной продукции
Приглашаем принять участие в опросе

Часто задаваемые вопросы (FAQ)

Регламент проведения работ по ТО оборудования системы безопасности БОЛИД

Можем рекомендовать действовать по аналогии с приказом 890 ГУВО.


Прикрепленные файлы:

Я пишу дипломную работу на тему: "Микропроцессорная система контроля и ограничения доступа на объект". Для объекта выбрал АРМ "Орион" исп20,а контроллер "С2000-2". Если возможно,прошу прислать схемы и какие-либо материалы по оборудованию.

Благодарим за выбор нашего оборудования. К сожалению, полноценную электрическую схему предоставить Вам не можем. Рекомендуем обратиться к нашему сайту www.bolid.ru. В разделе "Продукция" Вы найдете паспорт контроллера "С2000-2", в нем максимально подробно описаны принципы работы прибора, приведен сборочный чертеж платы, электрические схемы подключения периферии. В разделе "Техническая поддержка" Вы найдете типовые схемы применения нашего оборудования.

Подскажите пожалуйста, возможно ли восстановить лицензионный файл prvd.ini для Орион Про

Для получения файла лицензии АРМ "Орион ПРО" необходимо сделать следующее:
скачать и заполнить регистрационную карту http://www.bolid.ru/download/regcard_pro.zip
отправить ее нам на электронный адрес reg@bolid.ru; в ответном электронном письме Вам пришлют файл.

Можно ли использовать одно реле в нескольких сценариях управления в АРМ Орион ПРО?

Использовать одно и тоже реле в нескольких сценариях в АРМ "Орион ПРО" можно. При этом следует учитывать, что приоритет имеет последний запущенный сценарий.

Из каких соображений рассчитывать трафик от одного здания к серверной части?

Одно событие "весит" 120 байт. То есть, Вы можете примерно рассчитать трафик в системе, исходя из предполагаемого количества событий. Для каждой системы это количество уникально. Также обращаем Ваше внимание на то, что при загрузке базы в АБД, база будет передаваться по сети целиком (и храниться до окончания сеанса работы с АБД).

На объекте установлены приборы Сигнал 20П SMD. В шлейфы
включены ДИП 212-45 "Марко" с выносными оптическими устройствами (контроль
запотолочного пространства). Существует ли возможность двойной сработки
(сработка первого датчика- "Внимание", сработка второго датчика в шлейфе
сигнал "Пожар") ????

Мы не рекомендуем подключать выносные устройства оптической сигнализации (ВУОС) к пожарным датчикам, включенным в шлейф типа №1( пожарный дымовой с определением двойной сработки) прибора «Сигнал-20П», так они вносят дополнительное падение напряжения, и при этом сложно расчетным способом подобрать номинал добавочного резистора для обеспечения правильного распознавания двойной сработки. Рекомендуем использовать тип ШС №2(комбинированный, без определения двойной сработки) или опытным путем установить номинал добавочного резистора, включаемого последовательно с каждым датчиком.

Есть ли возможность сбросить на заводские настройки прибор ИСО "Орион"?

Можем порекомендовать Вам проделать следующие действия:
Удостовериться, что в системе нет приборов, имеющих 127 адрес по 485 интерфейсу.
Сбросить адрес прибора на 127, произведя серию нажатий на тампер (датчик вскрытия корпуса), состоящую из: 3-х длинных нажатий и одного короткого.
Запустить UProg.
Сделать опрос приборов, считать конфигурацию по адресу 127, из меню "файл" выбрать "базовая конфигурация" и записать ее в прибор.

Планируется адресная система с извещателями дип-34А и контроллерами с200-кдл. есть ли возможность использовать линейные дымовые извещатели? какие? как их подключить к КДЛ?

Рекомендуем Вам использовать извещатель пожарный дымовой линейный ИПДЛ - Д - II / 4 Р или ИПДЛ-52. Так как эти извещатели имеют отдельный вход питания и не потребляют ток от шлейфа, количество извещателей, включаемых в один ШС, специально не ограничивается. Единственным ограничением является максимальное сопротивление пожарного ШС (не более 100 Ом). Реле "пожар" включается аналогично дымовому извещателю, реле "неисправность" в разрыв ШС.
Т.к. для сброса состояния "пожар" нужно сбросить питание на определенное время (например, 5), то следует включить в цепь питания извещателя одно из реле прибора "С2000-СП2", задать программу управления №18 – выключить на время перед взятием – и время управления 6 секунд. Параметр задержка взятие ШС, в который включены извещатели, следует выставить 7 секунд.

Также, можем предложить использовать наш извещатель пожарный дымовой оптико-электронный линейный С2000-ИПДЛ - https://bolid.ru/production/orion/ops-subsystems/spi2000a/s2_ipdl.html

При проектировании системы охранной сигнализации возник вопрос: как на оборудовании Болид защитить блок-бокс с категорией взрывоопасности B-1a. Как реализовать правильно эту схему. Какие методы защиты проводки и оборудования применить, чтобы не нарушить требования ПУЭ.

Рекомендуем ознакомиться со статьей "Взрывобезопасность. Принципы и практика", выложенной на нашем сайте http://bolid.ru/support/articles/articles_11.html, а также информацией на «Комплекс устройств для взрывоопасных объектов» - http://www.bolid.ru/production/devices/explosion/

На приборе сигнал 20м подключены пожарные датчики. датчики дают ложные
сработки. Правила установки и требования соблюдены. В чем может быть проблема.

Если коммутация заведомо исправна, то возможны два варианта: сбои дает извещатель или сбои дает прибор. Прибор можно проверить, отключив шлейфы, установив на клеммы оконечные резисторы R=4.7кОм и поставив на прогон.

Прибор ИСО "Орион" периодически сам сбрасывает адрес на 127.

Адрес и другие конфигурационные параметры хранятся в энергонезависимой памяти прибора и не сбрасываются при отключении питания прибора. Изменить адрес прибора может только пользователь с помощью пульта "С2000" или программы uprog.

Сбой сетевого адреса прибора - явление чрезвычайно редкое, которое может быть следствием общего сбоя информации, хранимой в энергонезависимой памяти. Такая ситуация носит аппаратный характер и возможна только при крайне ненадежном, неустойчивом питании прибора, особенно от разряженных и некачественных аккумуляторных батарей, имеющих большое внутреннее сопротивление.

Возможна работа С2000-Ethernet в режиме виртуального Com-порта с программами АРМ Орион ПРО, Uprog и Pprog вер. 3.01.

Скриншоты настроек в файлах.
Конфигурирование самого C2000-Ethernet выполняется программой Uprog по rs-232.
При использовании нескольких виртуальных COM-портов для каждого необходимо задавать отличный номер порта (например 2048 для COM2, 2049 для COM3 и так далее).

Для настройки С2000-Ethernet в режиме виртуального COM-порта необходимо:
1) скачать с сайта www.bolid.ru раздел "программное обеспечение" программу RSSettings (данная программа так же доступна в папке с АРМ Орион ПРО под именем settings.exe);
2) запустить программу "от имени администратора" (актуально для windows 7 и выше);
3) выбрать свободный COM-порт, например Port5;
4) в поле "устройство организации обмена с приборами" указать "С2000-Ethernet";
5) в полях "IP" и "порт" задать IP-адрес* С2000-Ethernet и его порт соответственно (если используется несколько виртуальных COM- портов , то для каждого необходимо задать разный порт - 2048, 2049 и т.д.);


6) если ping более 30 ms, то в поле "таймаут передачи по локальной сети" задать значение N = 50 + max(ping);
7) после изменений необходимо нажать клавишу "Записать в реестр" и закрыть программу settings;
8) далее подключить С2000-Ethernet по RS-232 к ПК, выставить джампер XP2 в положение "config" и считать конфигурацию в программе Uprog;
9) в конфигурации С2000-Eternet на вкладке "RS-485/232"
если к С2000-Ethernet подключаются приборы по rs-485, то задать
тип интерфейса: RS 485, тип протокола: Орион
если же к С2000-Ethernet подключается С2000-М по rs-232, то задать
тип интерфейса: RS 232, тип протокола: Орион ПРО
10) на вкладке "Ethernet" в поле "IP-адрес C2000-Ethernet" задать IP-адрес, в после "маска подсети" - маску локальной сети, после чего в "таблице маршрутизации" в первой строке задать IP-адрес ПК;
11) записать конфигурацию в С2000-Ethernet, после чего отключить С2000-Ethernet от rs-232, и переставить джампер XP2 в положение "Pass";
12) подключить С2000-Ethernet к ПК через switch или кросс-кабель.

Для проверки связи можно использовать программу Uprog - в качестве порта опроса указать номер созданного порта и выполнить опрос.


Прикрепленные файлы:

В ряде случаев для анализа загрузки канала требется расчитать трафик между преобразователями С2000-Ethernet.

Количество обменов по одному COM-порту при трансляции RS-232 по ЛВС составляет около 20 обменов в секунду, размер пакета в среднем составляет 64 байта.
При подключении С2000-М к COM-порту через С2000-Ethernet расчетное значение трафика составит:
Исходящий
20*64 = 1280 байт/с
Входящий
20*64 = 1280 байт/с
Обращаем, Ваше внимание что при необходимости возможно уменьшение обменов программным образом до 2 до 4 обменов/с.

Оборудование для трансляции интерфейса по оптической линии.

Для передачи по оптической линии рекомендуем использовать С2000-Ethernet или оборудование фирмы MOXA:

1. При возможности выделить пару оптоволокна под передачу RS-485 использовать преобразователи MOXA TCF 142-M для многомодового волокна (или TCF 142-S для одномодового волокна).
Протокол испытаний данного преобразователя прикреплен к письму.

2. Использовать линию Ethernet и преобразователи C2000-Ethernet или MOXA NPort 5130/5150.
Протокол испытаний данного преобразователя также прикреплен к письму.

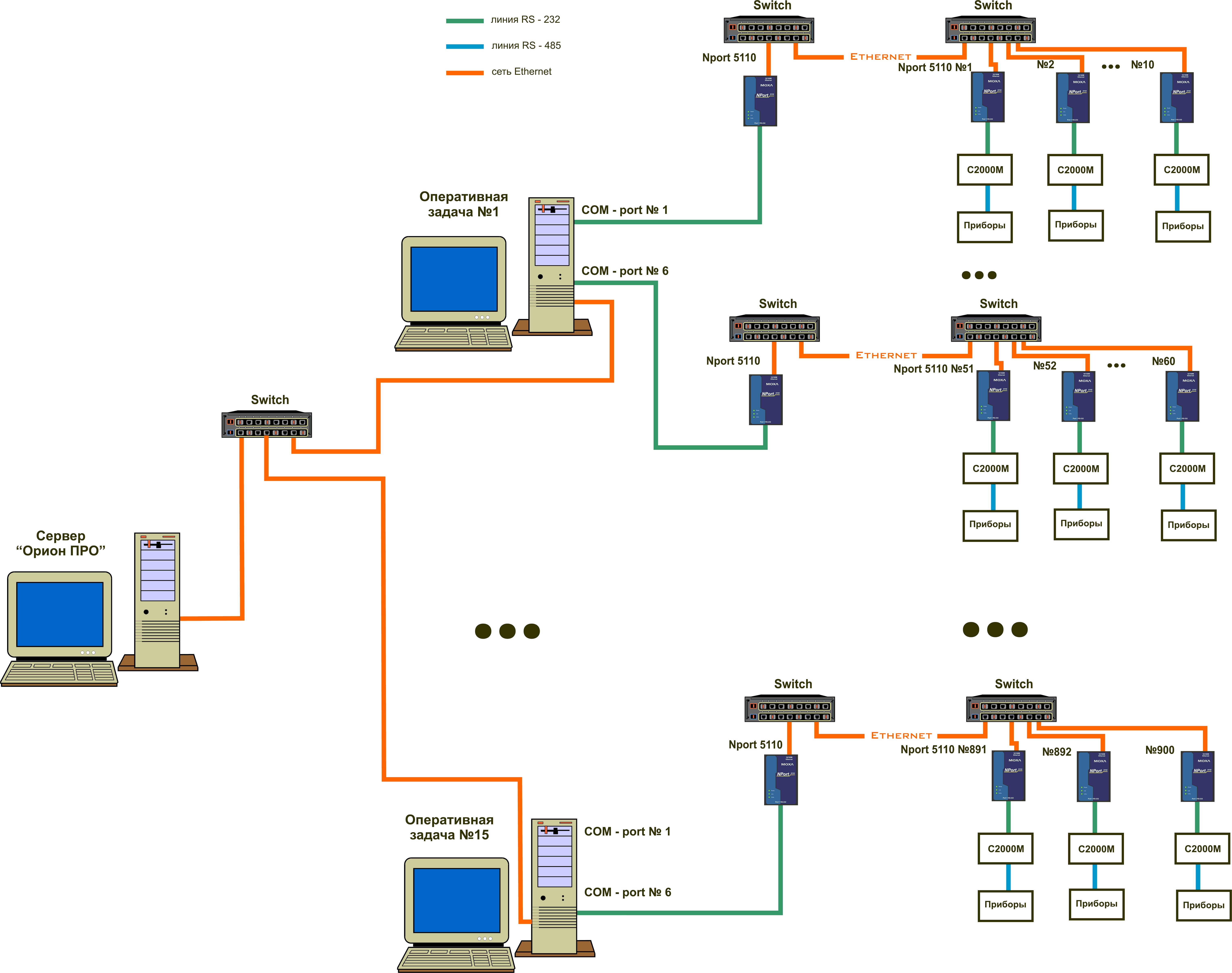
К сожалению, к АРМ Орион нельзя подключить более 127 приборов.
В случае большого количества приборов рекомендуем использовать АРМ Орон ПРО по схеме вложенной в письмо. В качестве преобразователей могут выступать все ранее описанные.

Обращаем ваше внимание на то, что использования описанных преобразователей накладывает следующие ограничения:

TCF 142-M
При использовании данных модемов ограничением является длина кольца не более 100 км. Длина между соседними преобразователями не более 2 км для многомодового кабеля и не более 20 км для одномодового кабеля.

C2000-Ethernet
На каждые 10 удаленных C2000-Ethernet необходимо использовать один C2000-Ethernet на сервере.

NPort 5130/5150
Данные преобразователи могут использоваться только в рамках одной локальной сети при подключении по схеме вложенной в письмо (файл _Shema_900). При использование маршрутизатора сеть выходит за рамки Ethernet и является межсетью internet, тогда на каждые 4-6 удаленных NPort 5130/5150 необходимо использовать один NPort 5130/5150 на сервере.

Для обеспечения автономной работы (в случае потери связи) необходимо на каждом объекте устанавливать пульт С2000 (или С2000-М).

(в приложении файлы и схемы)


Прикрепленные файлы:

Можно ли организовать события Внимание и Пожар по двум адресным извещателям ДИП-34А? Актуально для "С2000-КДЛ" вер.2.04 и ниже.
Добавлена информация о логике Пожар2.

К сожалению, при использовании прибора "С2000-КДЛ" и адресных дымовых извещателей, сработку "внимание" от одного и "пожар" от двух извещателей в разделе, реализовать нельзя. При этом каждый извещатель имеет порог перехода из «внимания» в «пожар» , который настраивается программой «UProg».

Возможно организовать управление реле по срабатыванию двух датчиков, для этого Вам необходимо выбрать тактику управления реле "11"("АСПТ"). Тогда при срабатывании первого пожарного извещателя будет формироваться событие "пожар", при сработке второго в этом же разделе, раздел будет переходить в состояние "два пожара". Соответственно будет отрабатываться тактика "11" ("АСПТ").

Начиная с вер. 2.10, в С2000-КДЛ добавлена новая вкладка Зоны. Она необходима для формирования события Пожар2. При добавлении двух адресных извещателей в одну зону, при сработке одного будет формироваться событие Пожар, а при сработке второго Пожар2. При это для сработки реле необходимо будет выбирать программу управления ВключитьВыключить при Пожар2.

Вопрос по совместимости С2000 вер. 1.24 и С2000-РПИ

С2000-РПИ корректно работает с пультом С2000
процесс конфигурирования описан в связанной статье.

Как обновить версию пульта С2000

Пульт С2000 нет возможности перепрошить, так как это не позволяет его техническое оснащение.
Единственный вариант обновить пульт С2000 до последней версии 1.24 - это замена микросхем.

Заказать их можно в отделе продаж по телефону (495) 775-71-55 или электронной почте sales@bolid.ru

В ряде случаев (плохие погодные условие, помехи в радиоканале, преграды между антеннами и т.д.)не удается добиться устойчивой связи между С2000-РПИ

Для указанных условий рекомендуем использовать радиомодемы Невод-5 или Спектр-433.
В приложении файлы протоколов испытаний данных радиомодемов.


Прикрепленные файлы:

Как реализовать открытие свободного доступа в пульта С2000М

В ПКУ С2000М вер.2.05 и выше можно настроить автоматическое открытие свободного доступа при событии "Пожар".
Для этого на странице "Сценарии управления" Вам необходимо создать сценарий "Управление доступом" (в исходном состоянии выбрать - Восстановление доступа) с шагом сценария "Открыть доступ", настроить разрешающие события, например "Пожар" в соответствующем разделе. После чего привязать созданный сценарий к требуемым считывателям.

Как реализовать открытие свободного доступа в АРМ "Орион про"?

Для обеспечения свободного доступа во время пожарной тревоги Вам необходимо создать сценарий управления с шагами сценария «Открытие доступа» для каждого считывателя Вашей системы.
Затем для каждого раздела в вкладке «События» сделать привязку сценария с требуемым событием, например «Тревога пожарного ШС».
Для отмены указанного сценария можно сделать сценарий с шагами «восстановления доступа» для считывателей и сделать привязку к какому-либо событию.
Более подробно о создании сценариев управления Вы можете прочитать в Руководстве по эксплуатации АРМ «Орион-ПРО» в главе 6.6.
Страницы37383940414243444546